How to Identify VESA Mounting Pattern , When a VESA conversion adapter may be requiredUpdated 2 months ago
How to Identify VESA Mounting Pattern
This guide explains two key things when installing or requesting support for your ENGLAON TV:
What VESA mounting patterns mean
When a VESA conversion adapter is required
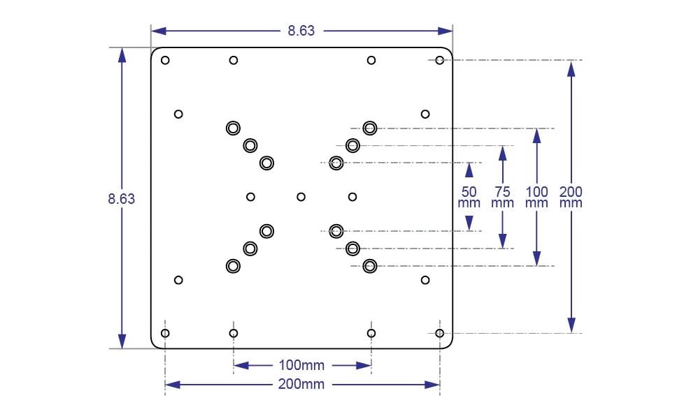
1. Understanding VESA Mounting Sizes
VESA is the international standard used for TV wall mounts and brackets.
The numbers represent the horizontal and vertical spacing in millimetres (mm).
It describes the distance between the four mounting holes on the back of the TV:
VESA 75 × 75, VESA 100 × 100, VESA 200 × 100, VESA 200 × 200

2. ENGLAON VESA Mounting Pattern Colour Guide
| VESA Pattern | Colour | Typical Models |
|---|---|---|
| VESA 75 × 75 | 🟣 Purple | LED32X70, LED40X70 |
| VESA 100 × 100 | 🔵 Blue | LED22M60, LED22X80, LED24M30 / LED24M40 / LED24M80, LED24X80, LED27M80, LED27X90 / LED27X90Pro / LED32X90Pro |
| VESA 200 × 100 | 🟠 Orange | LED24X70Plus, LED24X90, LED24X90Plus, LED32M80 |
| VESA 200 × 200 | 🟢 Green | LED32X90, LED32X90Plus, LED40X90, LED40X90Plus |
3. When You NEED a Conversion Adapter
You need an adapter when the TV VESA pattern is not supported by the bracket.
This commonly happens when the bracket only supports:
100 × 100 or 200 × 200
Example Scenarios
| VESA Colour | VESA Pattern | Example Models | When Adapter Is Needed | Adapter Conversion |
|---|---|---|---|---|
| 🟠 Orange | 200 × 100 | LED24X70Plus, LED24X90, LED24X90Plus, LED32M80 | If the bracket only supports 100 × 100 | 100 × 100 → 200 × 100 |
| 🟢 Green | 200 × 200 | LED32X90, LED32X90Plus, LED40X90, LED40X90Plus | If the bracket only supports 100 × 100 | 100 × 100 → 200 × 200 |
4. When You DO NOT Need an Adapter
No adapter is required if the bracket supports the same VESA size as the TV.
🟣 Purple (VESA 75 x 75 ) & 🔵 Blue (VESA 100 × 100)
Works directly with:100 × 100 brackets
🟢 Green (VESA 200 × 200)
Works directly with: 200 × 200 brackets
5. Quick Summary

Need Help?
If you are unsure which bracket or adapter you need, please contact ENGLAON support.
📞 1300 883 823
Mon–Fri, 9 AM – 5 PM AEST